Ningbo Richge TechnolitanT Technology Co. , Ltd.
Ningbo Richge TechnolitanT Technology Co. , Ltd.
ထုတ်ကုန်များ
ထုတ်ကုန်များ
zn12-12 စီးရီးပေါင်းစပ်ကော်လံခလုတ်ကိုလေယာဉ်ဗက်ကို Breaker
  • zn12-12 စီးရီးပေါင်းစပ်ကော်လံခလုတ်ကိုလေယာဉ်ဗက်ကို Breakerzn12-12 စီးရီးပေါင်းစပ်ကော်လံခလုတ်ကိုလေယာဉ်ဗက်ကို Breaker
  • zn12-12 စီးရီးပေါင်းစပ်ကော်လံခလုတ်ကိုလေယာဉ်ဗက်ကို Breakerzn12-12 စီးရီးပေါင်းစပ်ကော်လံခလုတ်ကိုလေယာဉ်ဗက်ကို Breaker

zn12-12 စီးရီးပေါင်းစပ်ကော်လံခလုတ်ကိုလေယာဉ်ဗက်ကို Breaker

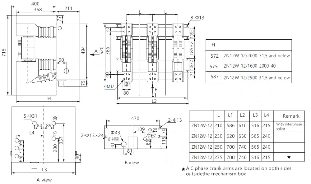
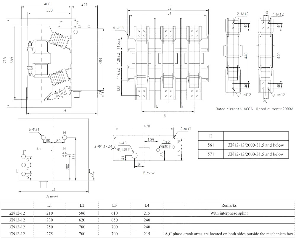
Model:ZN12-12
ZN112-12 စီးရီးများအိမ်တွင်း AC HV Vacuum circuit breaker သည်ဂျာမနီကုမ္ပဏီမှနည်းပညာကိုမိတ်ဆက်ပေးသော 12 ကီလိုဗ်မှ 12 ကီလိုဗို့၏ဇယားကွက်သုံးဆင့်၏မိုးလုံလေလုံပစ္စည်းကိရိယာများဖြစ်သည်။ ၎င်းသည် 0 န်ဆောင်မှုနှင့်မကြာခဏလည်ပတ်မှုအမျိုးမျိုးရှိသော area ရိယာအတွက်သင့်တော်ပြီးစက်မှုနှင့်သတ္တုတူးဖော်ရေး, စီးပွားရေး, လျှပ်စစ်ဓာတ်အားပေးစက်ရုံများနှင့်အစားထိုးလျှပ်စစ်ပစ္စည်းများကိုကာကွယ်ရန်နှင့်ထိန်းချုပ်ရန်အသုံးပြုနိုင်သည်။ ဤထုတ်ကုန်သည် GB1984, JB3855, DL403 နှင့် IEC စံသတ်မှတ်ချက်များနှင့်သက်ဆိုင်သည့်လိုအပ်ချက်နှင့်အညီဖြစ်သည်။

zn12-12 စီးရီးပေါင်းစပ်ကော်လံခလုတ်ကိုလေယာဉ်ဗက်ကို Breaker

  ZN12-12 မိုးလုံလေလုံအုံအမြင့် voltage vacuum circuum breaker rated voltage 12 ကီလိုဂရမ်နှင့်အောက်ဖော်ပြပါအမြင့်ဆုံးဗို့အား switchgear သည်အဓိကအားဖြင့် fixed switchgear sward များ, လျှပ်စစ်ဓာတ်အားပေးစက်ရုံများ,

  ZN12 စီးရီးဖုန်စုပ်စက်များဖုန်စုပ်စက်များသည် 12 ကီလိုဗွန်း, 24 ကီလိုဗို့နှင့် 40.5Kv နှင့် three thenefe ac 50 ac 50 ac 50) ဖြင့်မိုးလုံလေလုံ high-voltage switchgear device ဖြစ်သည်။ ၎င်းသည်ဂျာမန် Siemens 3Af နည်းပညာကိုမိတ်ဆက်ပေးခြင်းဖြင့်တီထွင်ထုတ်လုပ်နိုင်သည့်ပြည်တွင်းထုတ်ကုန်ဖြစ်သည်။ တိုက်နယ်ချိုးဖောက်သူ၏လည်ပတ်ရေးယန္တရားသည်နွေ ဦး စွမ်းအင်သိုလှောင်မှုအမျိုးအစားတစ်ခုဖြစ်သည်။ Circuit breaker သည်ရိုးရှင်းသောဖွဲ့စည်းတည်ဆောက်ပုံ, ခိုင်မာပြတ်သားသောစွမ်းရည်, ထို့အပြင်ပေါက်ကွဲမှုအန္တရာယ်မရှိနှင့်ပြုပြင်ထိန်းသိမ်းမှုရိုးရှင်းပါသည်။ ပါဝါအပင်များ, ဓာတ်အားပေးစက်ရုံများနှင့်သတ္တုတွင်းလုပ်ငန်းများကဲ့သို့သောလျှပ်စစ်ဓာတ်အားထုတ်လုပ်ခြင်းနှင့်ဖြန့်ဖြူးရေးစနစ်များဖြစ်သောလျှပ်စစ်ဓာတ်အားပေးခြင်းနှင့်ဖြန့်ဖြူးရေးစနစ်များကိုထိန်းချုပ်ခြင်းသို့မဟုတ်ဖြန့်ဖြူးခြင်းစနစ်များအတွက်သင့်တော်သည်။ Switch CaseBer ရှိ circuit breaker ၏ installation ပုံစံသည်ပုံသေအမျိုးအစားသို့မဟုတ်ဆုတ်ခွာနိုင်သောအမျိုးအစား circuit breaker ကိုဖြစ်စေနိုင်သည်။ GB1984, JB3855 နှင့် IEC62271-100 "High Voltage AC circuit breaker ကဲ့သို့သောသက်ဆိုင်ရာစံချိန်စံညွှန်းများနှင့်ကိုက်ညီသည်။


အားသာချက်များ:

1. Circuit Breaker သည်သြဂုတ်လ 96 ရက်နေ့တွင်စက်ပစ္စည်းများနှင့်လျှပ်စစ်စွမ်းအား 0 န်ကြီးဌာန 0 န်ကြီးဌာန 0 န်ကြီးဌာန 0 န်ကြီးဌာနနှင့်လျှပ်စစ်စွမ်းအား 0 န်ကြီးဌာန၏အကဲဖြတ်မှုကိုအတည်ပြုခဲ့သည်။

Circuit breaker ယန္တရားကို switch နှင့်ပေါင်းစပ်ပြီးအထူးနွေ ဦး စွမ်းအင်သိုလှောင်မှုအမျိုးအစား actuator ယန္တရားကို AC နှင့် DC Energy သိုလှောင်မှုသို့မဟုတ်ကိုယ်တိုင်လည်ပတ်နိုင်သည်။

ရိုးရှင်းသောဖွဲ့စည်းတည်ဆောက်ပုံ, အားဖြည့်ခြင်းစွမ်းရည်, ရှည်လျားသော 0 န်ဆောင်မှုပေးခြင်း, အပြည့်အ 0 စစ်ဆင်ရေးလုပ်ငန်းများ,


အင်္ဂါရပ်များ:

1 ။ arc extinguish ခန်းမများ၏ချိုးဖောက်မှုသည်မြင့်မားပြီးလက်ရှိတင်ဆောင်နိုင်သောစွမ်းဆောင်ရည်နိမ့်ကျပြီးလျှပ်စစ်ဘဝသည်ရှည်လျားသည်။

2 ။ အပြင်အဆင်သည်နောက်ကျော, ရိုးရှင်းသောနှင့်ကျစ်လစ်သိပ်သည်းဖွဲ့စည်းပုံ, အပြည့်အဝစစ်ဆင်ရေးနှင့်လွယ်ကူသောပြုပြင်ထိန်းသိမ်းမှု။

3 ။ ဖွဲ့စည်းပုံနှင့်တပ်ဆင်ရန်၎င်းတို့ကိုခွဲခြားနိုင်သည်။ အလျားလိုက်ပုံသေအမျိုးအစား,






အခြေခံအချက်အလက်။



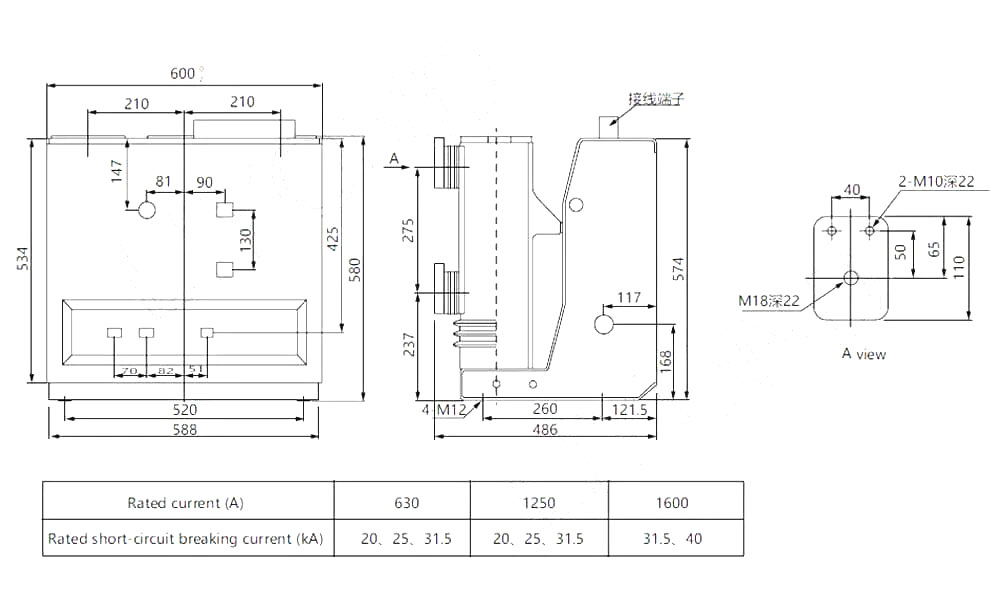
နည်းပညာဆိုင်ရာ parameters တွေကို



နည်းပညာဆိုင်ရာပုံများ


အသုံးပြုမှု zn12-12 ပေါင်းစပ်ကော်လံ switch ကို vacuum circuit breaker1 ၏အသုံးပြုမှုအခြေအနေများ။ အမြင့်: ≤1000မီတာ; (ရှေ့ပြေးပုံစံအမြင့်သည်မီတာ 4000 အောက်တွင်ရောက်ရှိနိုင်သည်)

2 ။ ပတ်ဝန်းကျင်အပူချိန် - အမြင့်ဆုံး + 40 ဒီဂရီစင်တီဂရိတ်, အနိမ့်ဆုံး -25 ဒီဂရီစင်တီဂရိတ်;

3 ။ ဆွေမျိုးစိုထိုင်းဆ - နေ့စဉ်ပျမ်းမျှအားဖြင့်ပျမ်းမျှအားဖြင့်လစဉ်ပျမ်းမျှအားဖြင့် 90% ထက်မပိုပါ။

4 ။ ငလျင်လှုပ်ခြင်း - 8 ထက်နည်း;

5 ။ တပ်ဆင်ခြင်းပတ် 0 န်းကျင် - မီး, ပေါက်ကွဲမှုအန္တရာယ်များ,

6 ။ အကယ်. အသုံးပြုမှုပတ်ဝန်းကျင်သည်အထက်ရှိထက်ကျော်လွန်ပါကလေဟာနယ် circuit breaker ထုတ်လုပ်သူကိုဆက်သွယ်ပါ။




အမြဲမေးလေ့ရှိသောမေးခွန်းများ

Q: ကျွန်ုပ်၏ထုတ်ကုန်စျေးနှုန်းများရှိပါသလား။

A: ကြိုဆိုပါတယ်။ ကျေးဇူးပြု. ကျွန်ုပ်တို့အားဤနေရာတွင်ကျွန်ုပ်တို့အားမေးမြန်းရန်အခမဲ့ဖြစ်ပါစေ။ 24 နာရီအတွင်းကျွန်ုပ်တို့ပြန်ကြားမည်။


မေး။ ။ အမြောက်အများအမိန့်မတိုင်မီနမူနာတစ်ခုရနိုင်မလား။

A: ဟုတ်ကဲ့, စာပေကိုစစ်ဆေးရန်နှင့်အရည်အသွေးစစ်ဆေးရန်နှင့်အရည်အသွေးစစ်ဆေးရန်လက်ခံသည်။


Q: ထုတ်ကုန်များပေါ်တွင်ကျွန်ုပ်တို့၏လိုဂို / ကုမ္ပဏီအမည်ကိုပုံနှိပ်နိုင်ပါသလား။

ဖြေ။ ။ ဟုတ်တယ်, ငါတို့ OEM ကိုလက်ခံတယ်, အဲဒီနောက်ငါတို့ကိုအမှတ်တံဆိပ်ခွင့်ပြုချက်ပေးဖို့လိုတယ်


Q: ကုန်ပစ္စည်းစိတ်ကြိုက်ပြုလုပ်ခြင်းကိုသင်လက်ခံပါသလား။

A: ဟုတ်ကဲ့, သေချာတာပေါ့, တိကျတဲ့ပုံဆွဲခြင်းသို့မဟုတ် parameters တွေကိုပေးပါ။


မေး။ ။ ခဲအချိန်ဆိုတာဘာလဲ။

ဖြေ။ ။ ဦး ဆောင်ချိန်သည်ငွေပေးချေမှုကိုလက်ခံရရှိပြီးနောက်ရက်ပေါင်း 7-20 ရက်အတွင်းယေဘုယျအားဖြင့်အမိန့်ပမာဏပေါ်မူတည်သည်။


မေး။ ။ မင်းရဲ့ကုန်သွယ်ရေးအသုံးအနှုန်းတွေကဘာလဲ။

A: Exw, FOB, CIF, FCA စသည်။


Q: ငွေပေးချေမှုနည်းလမ်းကဘာလဲ။  

A: T / T, Western Union, Paypal, PayPal ကိုကြည့်ခြင်း,


မေး။ ။ အချောထုတ်ကုန်တွေကိုစစ်ဆေးသလား။

A: ဟုတ်ကဲ့, ထုတ်လုပ်မှုနှင့်အချောထုတ်ကုန်များခြေလှမ်းတိုင်းကို QC ဌာနမှစစ်ဆေးမှုပြုလုပ်လိမ့်မည်။ သယ်ယူပို့ဆောင်ရေးမတိုင်မီသင်၏ရည်ညွှန်းချက်အတွက်ကုန်ပစ္စည်းစစ်ဆေးရေးအစီရင်ခံစာများကိုကျွန်ုပ်တို့ပေးမည်


Q: ရောင်းအားပြီးနောက်အရည်အသွေးပြ problems နာများကိုမည်သို့ဖြေရှင်းရမည်နည်း။

A: အရည်အသွေးပြ problems နာများကိုဓာတ်ပုံရိုက်ယူပြီးကျွန်ုပ်တို့စစ်ဆေးခြင်းနှင့်အတည်ပြုခြင်းအတွက်ကျွန်ုပ်တို့ထံပေးပို့ပါ။




အလုပ်ရုံ


လက်မှတ်




Hot Tags: ZN12-12 စီးရီးပေါင်းစပ်ထားသောကော်လံခလုတ်, တရုတ်, ထုတ်လုပ်သူ, ထုတ်လုပ်သူ, စက်ရုံ, စက်ရုံ, စက်ရုံ, အရည်အသွေးနိမ့်ခြင်း, အရည်အသွေးနိမ့်ခြင်း,
စုံစမ်းမေးမြန်းရန်ပေးပို့ပါ။
ဆက်သွယ်ရန်အချက်အလက်
  • လိပ်စာ

    No.1083 Zhongshan East Road, Yinzhou ခရိုင် Ningbo City, Zhejiang ပြည်နယ်, တရုတ်နိုင်ငံ,

  • အီးမေး

    sales@switchgearcn.net

low voltage switchgear၊ high voltage insulators၊ high voltage earthing switch သို့မဟုတ် price list အကြောင်း စုံစမ်းမေးမြန်းလိုပါက သင့်အီးမေးလ်ကို ကျွန်ုပ်တို့ထံ ထားခဲ့ပါ၊ ကျွန်ုပ်တို့ထံ 24 နာရီအတွင်း ဆက်သွယ်ပေးပါမည်။
သတင်းအကြံပြုချက်များ
X
သင့်အား ပိုမိုကောင်းမွန်သောကြည့်ရှုမှုအတွေ့အကြုံကို ပေးဆောင်ရန်၊ ဆိုက်အသွားအလာကို ပိုင်းခြားစိတ်ဖြာပြီး အကြောင်းအရာကို ပုဂ္ဂိုလ်ရေးသီးသန့်ပြုလုပ်ရန် ကျွန်ုပ်တို့သည် ကွတ်ကီးများကို အသုံးပြုပါသည်။ ဤဆိုက်ကိုအသုံးပြုခြင်းဖြင့် ကျွန်ုပ်တို့၏ cookies အသုံးပြုမှုကို သင်သဘောတူပါသည်။ ကိုယ်ရေးအချက်အလက်မူဝါဒ
ငြင်းပယ်ပါ။ လက်ခံပါတယ်။